광고
광고
광고
광고

[화재조사관 이야기] “화학적 반응 열인가? 인적 부주의인가?”

광고
경기 김포소방서 이종인 | 기사입력 2023/10/20 [10:00]

[화재조사관 이야기] “화학적 반응 열인가? 인적 부주의인가?”

경기 김포소방서 이종인 | 입력 : 2023/10/20 [10:00]

불이 나거나 재난이 발생하면 순간 당황하게 된다. 작은 불은 따듯하게 쬐기라도 하지만 불길이 크게 치솟으면 나도 모르게 몸이 움츠러든다.

 

야외에서 캠프파이어(Campfire)를 할 때 불길이 예상했던 것과 같으면 불을 보며 즐기지만, 예상했던 불길보다 크게 확대된다면 한 번쯤 놀란 기억이 있을 거다.

 

사람이 희망을 설계하고 행복을 만들 듯 예상했던 만큼 성과를 이루면 흐뭇하지만 예상보다 훨씬 좋은 결과가 나오면 기쁨에 놀란다. 화재도 같은 맥락이 아닐까 싶다.

 

작은 불은 흔하게 ‘불꽃’으로 표현하지만 조금 큰불은 ‘불길’ 또는 ‘화재’라고 표현한다. 같은 말이지만 어감에서 작고 큰 것으로 분류되는 느낌이 든다.

 

화재 현장은 작은 현장도 있지만 화재조사관 혼자 조사하기엔 버거운 현장도 있다. 연소범위가 넓고 건물이 붕괴하면 연소 패턴이나 연소 방향성이 전혀 가늠되지 않을 때가 있다. 

 

이런 현장에서 화재조사관은 어려움을 많이 느낀다. 어디서부터 어떻게 조사해야 할지 감도 안 잡힐 때가 있다. 하지만 차근차근 목격자 진술과 목격 방향, 초기 화재 시 상황 등을 조사해 나간다. 

 

넓은 현장은 목격자가 많다는 장점이 있다. 신고자들의 진술을 순차적으로 청취하고 타임라인(Timeline)을 완성하며 퍼즐을 하나하나 맞추다 보면 발화지점을 추단할 수 있다. 현장이 넓다면 목격자의 분포 또한 넓을 수밖에 없다.

 

어느 목격자가 진실을 말하고 화재지점을 정확히 봤는지 판단하는 건 화재조사관의 몫이다. 목격자 진술이 전혀 맞지 않을 때도 있지만 때론 정확할 때도 있다. 따라서 현장 목격자 진술은 될 수 있으면 모두 청취하는 게 발화지점 판정에 도움이 된다.

 

개중에는 그릇된 정보를 진술하는 사람, 바로 보고 진술하는 사람, 자신의 상상을 진술하는 사람, 사고 이후 현장을 보고 진술하는 사람 등이 있다. 이런 다양한 정보를 취합하고 진실을 가려내는 것 또한 화재조사관의 몫이다.

 

초기 목격자 진술을 토대로 현장 상황이 맞는지, 현장을 가장 잘 아는 기기 운용자(Engineer, Operator)나 작업공정 설비 담당자를 배석해 현장을 조사하는 게 가장 좋다.

 

어느 추운 겨울 퇴근 시간에 임박해 3층 높이의 작업공정이 설치된 건물에서 화재가 발생했다. 작업공정은 폐식용유를 이용한 바이오 디젤(Bio diesel) 생산이다.

 

화재 발생 전 3층 현장에서는 공장 직원인 이 씨 등 세 명이 고장 난 부스터 펌프를 수리하고 있었다. 이 씨는 수리 중 “펑” 소리와 함께 검은 연기가 분출했다고 진술했다.

 

폭발이 발생하자 작업자 세 명 중 두 명은 탈출했다. 하지만 한 명은 끝내 탈출하지 못하고 현장에서 하늘의 별이 됐다. 현장에서 폭발이 있었는데 작업하던 부스터가 아니라 측면에 있던 바이오 디젤 제조 공정 중 하나인 증발기가 폭발했다.

 

목격자 진술을 청취하라!

작업하던 이 씨는 부스터 펌프를 수리하던 중 “펑” 소리와 함께 검은 연기가 분출했다고 진술했다. 같이 작업하던 박 씨는 3층 1번 증발기 주변에서 작업 준비 중 전면에서 바람과 함께 검은 연기가 몰려왔다고 했다.

 

목격자 이 씨 진술에 따르면 자신은 부스터 펌프 북쪽, 하늘의 별인 된 이 씨는 부스터 펌프 남동쪽에서 사다리를 놓고 올라가 작업했다.

 

목격자 이 씨는 폭발로 인해 바닥에 떨어져 한참을 멍하니 있었고 반대편에서 작업하던 이 씨는 어떻게 내려왔는지 알지 못한다. 이 씨와 함께 작업하던 박 씨는 1번 증발기에서 폭발이 있었다고 진술했다.

 

▲ [사진 1] 화재 장소

 

화재 현장 외관을 살펴라!

광역 화재조사관이 현장에 도착했을 당시 3층 공장 전체가 화염에 휩싸여 있었다. 3층보다 1층 화염의 크기가 더 크고 연소열이 심하게 느껴졌다. 발화지점이 어디인지 가늠하기 어려울 정도로 연소가 진행됐다. 조사를 위한 접근도, 화재진압 대원들의 접근도 어려웠다.

 

작업공정을 확인하라!

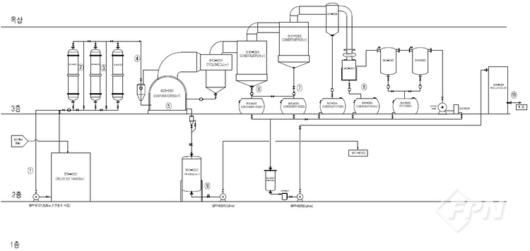
공장설비와 작업공정을 잘 아는 관계자를 찾아 조사하기 시작했다. 개괄적인 공정은 폐식용유를 이용해 여러 공정을 거쳐 바이오 디젤을 생산하는 시스템이다. 사실 공정을 살펴보면 간단하게 설명된다. 1층은 작업을 준비하는 준비실 개념이고 재료나 자동차 출입이 가능하도록 개방돼 있었다.

 

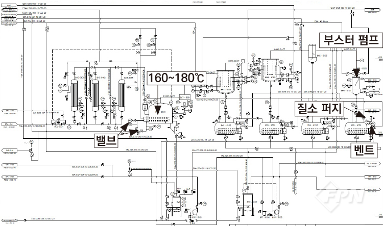
▲ [그림 1] 계통도


1층은 작업공정이 없었고 대부분 시설은 3층에 집중돼 있었다. 2층은 준비단계, 생산공정의 모든 작업은 3층에서 이뤄졌다. 3층 공정은 증발기와 진공펌프가 설치돼 있었다. 증발기와 진공펌프를 이용해 폐식용유를 가공하고 가동된 바이오 디젤을 2층 시설로 모아 배출하는 구조였다.

 

▲ [사진 2] 2층 연소 상황


1층은 약한 화염이 일부 관찰되고 2층은 화염이 분출하고 있는 형태였다. 화염은 작업공정에서 생산된 바이오 디젤이 연소하며 나타난 현상이다. 복사열에 의해 측면 작업장 외벽 구조물이 용융되고 일부는 탄화해 소락했다. 바이오 디젤이 연소하고 있어 화염 크기도 크고 화재진압도 녹록지 않았다.

▲ [사진 3] 3층 연소 상황

 

3층 외벽의 시설물 일부가 용융되고 만곡돼 소락한 형태로 관찰된다. 화염이 있는 곳이 3층 증발기 1호가 있는 지점이다.

 

건물 전체를 살펴라!

▲ [사진 4] 화재 건물 전경


전면에서 봤을 때 3층 소훼 형태가 가장 심하고 아래층으로 내려갈수록 화염전파 상황이 적게 관찰된다. 1층엔 작업공정이 없지만 출하하는 배관이 있어 확인이 필요했다.

 

1층에서 화염이 시작해 2층과 3층으로 연소 확대했다 해도 크게 의심할 여지나 반증할 증거가 없었다. 다만 화재 당시 목격자 진술이 있어 3층에서 화재가 시작된 걸 알 수 있었다. 화재 현장 1층부터 차근차근 조사했다.

 

▲ [사진 5] 1층 소훼 형태


1층에는 작업공정이 없었다. 지게차만이 덩그러니 전소된 채 자리를 지키고 있었다. 천장에는 바이오 디젤 출하 관이 있었다. 기둥 왼쪽은 군청색, 오른쪽은 적 산화 형태로 잔류해 있었다. 이런 변색 흔적은 화염전파나 수열 형태에 따라 달리 잔류했다고 해석했다.

 

▲ [사진 6] 2층 소훼 형태


2층 설비에 잔류한 수열 흔적은 [사진 6]왼쪽의 군청색 부분에서부터 화염이 전파된 형태로 식별됐다. 왼쪽의 유류 탱크는 오른쪽으로 살며시 기울어 있었다. 오른쪽 사진 상단 부분은 철재가 만곡된 상태로 수열 방향을 짐작할 수 있었다. 각 챔버의 오른쪽 부분에서 왼쪽으로 화염이 전파된 상태로 관찰된다.

 

▲ [사진 7] 2층 미연소 부분


[사진 6]의 반대쪽이며 시설이 원형으로 잔류했다. 시설의 페인트나 단열재가 원형으로 유지된 건 화염전파가 없고 주변 온도가 150℃에 도달하지 않았다는 방증이다.

 

▲ [사진 8] 3층 입구


옥외 계단에서 촬영한 형태다. 입구 부분 하단엔 일부 수열 형태가 관찰되고 상단은 그을린 형태로 잔류했다. 목격자가 폭발이 있었다고 진술한 곳은 3층이었으나 입구 주변엔 폭발 흔적이 없었고 화염전파 흔적만 관찰됐다.

 

▲ [사진 9] 3층 증발기 2호


[사진 9] 오른쪽에 검게 그을린 부분과 적 산화 현상이 관찰되는 부분이 있다. 왼쪽 탱크 부분은 일부 수열만 받은 형태로 관찰된다. 적색 원 부분이 증발기 2호 부분이다. 화염이 분출해 오른쪽 챔버에 화염이 전파한 형태로 관찰됐다.

 

▲ [사진 10] 3층 증발기 1호


폭발로 인해 파열돼 전면이 개방돼 있었다. 녹색 부분이 파열돼 개방된 형태다. 전면 기둥에서 수열에 의해 군청색으로 변한 모습이 발견됐다. 이는 장시간 고열에 노출되면서 화염전파가 있었던 것으로 판단했다. 증발기 1호 파열된 주변으로 철재가 만곡돼 잔류한 형태는 폭발에 의한 충격으로 판단했다.

 

▲ [사진 11] 냉각기


증발기에서 가열된 바이오 디젤 유증은 냉각기를 통해 액체로 변화되고 Ⓐ 탱크에 70, Ⓑ 탱크에 29, Ⓒ 탱크에 1% 정도 바이오 디젤이 수집되는 공정이다. 화재 당시 Ⓐ, Ⓑ 탱크에는 잔류한 바이오 디젤이 없었다. Ⓒ 탱크엔 약 40% 정도의 바이오 디젤이 잔류해 있었다.

 

▲ [사진 12] 보일러


보일러는 LNG를 사용하고 160~180℃에서 열 매체유를 가열해 증발기에 공급하는 구조였다. 시스템은 자동으로 운전되는 공정이다. 보일러에서는 화염 분출 형태가 관찰되지 않았다. 상단의 배관이 열 매체유가 순환하는 배관이고 화살표 방향으로 순환하는 구조였다.

 

▲ [사진 13] 열 매체유 밸브

 

열 매체유 배관 1개는 잠겨 있고 1개는 개방된 상태로 확인했다. 잠겨 있던 밸브는 증발기 2호에 연결된 것으로 추정됐다.

▲ [사진 14] 부스터 펌프(진공펌프)


목격자 이 씨와 하늘의 별이 된 이 씨가 작업하던 약 2.5m 높이의 부스터 펌프(Booster Pump)다. 펌프 하단은 그을려 있었고 상단은 수열에 의한 변색 흔적이 관찰됐다. 

 

▲ [사진 15] 부스터 펌프 특이점


부스터 펌프 결착 부분의 볼트가 모두 빠져 있는 상태였다. 플랙시블 조인트 부분은 이격 거리가 좁혀져 있었다. 아마도 폭발 충격으로 인해 부스터 펌프 배관의 위치가 변경된 듯했다.

 

▲ [사진 16] 파열된 증발기 1호

 

적색 선 하단까지 열 매체유 순환관이며 위까지 바이오 디젤유가 차 있었다. 폭발되고 바이오 디젤이 연소하면서 급격하게 화염이 확산됐다. 화재가 완진되고 현장을 조사하는 과정에서 한 번 더 폭발이 있었다. 잔류한 열이 축열돼 있다가 챔버 하나가 폭발했다. 

 

당시 현장에는 지휘부와 진압대원, 현장을 조사하는 필자, 필자와 같이 현장을 조사하던 화재조사관이 있었다. 구조대는 3층에서 현장을 최종 확인하고 있었고 화재조사관은 화재가 완전히 진화됐기에 현장을 조사하고 있었다.

 

폭발은 크지 않았지만 3층 전체가 휩싸일 정도의 흰 수증기가 분출했다. 필자와 동료 조사관은 건물 기둥으로 몸을 숨기며 수증기가 사라지길 기다렸다. 아찔한 순간이었다.

 

▲ [사진 17] 옥상


적색 사각 부분이 증발기 1호 직 상부였다. 직 상부만 전체적으로 군청색으로 변색하고 주변의 지붕 철재는 모두 만곡된 형태였다.

 

▲ [사진 18] 열 매체유 배관


배관이 붕괴돼 있었고 어느 관인지 분간이 어려웠다. 하나하나 확인하며 특이점을 찾기 시작했다.

 

▲ [사진 19] 진공펌프


진공펌프 ⓐ, ⓒ는 개방된 상태고 ⓑ는 닫힌 상태로 확인했다.

 

▲ [사진 20] 증발기 1호 내부

 

내부는 수열에 의한 변색 흔적과 완전 건조한 형태로 잔류했다. 열 매체유나 바이오 디젤은 전혀 확인되지 않았다.

 

주변 기기를 확인했다. 먼저 LT(Level Transmitter)를 확인했다. 작동 전원은 DC 24V이고 전류는 40㎃로 확인됐다. 담당자 진술과도 일치했다. LT 매뉴얼로 확인하니 단자전압이 16V to 36V이며 4㎃로 확인했다.

 

▲ [사진 21] LT


LT 상단이 파열된 형태다. 하부는 유지돼 있으나 작동 여부나 이상 유무를 확인할 수 없었다.

 

▲ [그림 2] 증발기 1호 계통도


[그림 2]는 증발기 1호의 계통도다. 열 매체유는 160~180℃로 세팅돼 있었다. 부스터 펌프 하단의 질소 퍼지 탱크를 설치했고 시스템 가동 중단 약 20분 후 부스터 펌프 해체 작업이 있었다는 진술이 있었다. 화재 사고와 폭발과는 인과관계가 없다는 증언이다.

 

▲ [그림 3] 작업공정


바이오 디젤 재료를 넣고 증발기 내에서 열 매체유로 가열한 후 증기가 발생하면 ①, ②, ③ 냉각기를 통과하면서 바이오 디젤을 제조하는 과정이다. 증발기가 폭발했다는 건 과열되거나 바이오 디젤이 배출되지 않아 탱크가 팽창하며 발생한 형태로 해석했다.

 

▲ [사진 22] 확인 창


증발기에서 1차 냉각기를 통과하는 부분이다. 냉각기 하단의 투시 창으로 불빛이 확인된다. 왼쪽 투시 창엔 조명만 점등된 상태고 오른쪽 사진에는 화염이 확인된다. 점화 이후 급격하게 연소하는 장면이 CCTV에 촬영됐으나 화염의 진원이 어디인지 확인은 불가했다.

 

▲ [사진 23] 주변 관찰

 

급격한 연소가 시작되고 화염이 분출하기 전 뿌옇게 보이는 부분은 바이오 디젤 증기(가스)로 해석했다. 전체적으로 화염이 분출하는 형상이 관찰되나 발화지점은 특정되지 않았다. 다른 화재 현장에서도 그러하듯 CCTV는 발화지점을 정확히 촬영하지 않는다. 대부분 촬영 각도가 벗어나 있다.

 

화재 원인을 검토하라!

이 화재 현장은 광범위하고 조사하는 과정에서 폭발이 한 번 더 있었다.

 

식물성 기름으로 만든 바이오 연료와 에탄올을 지방산 글리세롤이 결합한 트라이글리세라이드로부터 글리세롤을 분리한 다음 지방산 에스터를 만들어 내는 에스테르 교환 방법을 통해 바이오 디젤을 생산한다. 

 

바이오 디젤을 증발기에 넣고 160~180℃에서 열 매체유로 가열해 증발되는 유증기를 냉각시켜 바이오 디젤을 추출한 후 한 번 더 정제한다. 특이점이나 화학 반응은 관찰되지 않았다.

 

유증기 유출은 바이오 디젤을 정제하기 위해 용매제와 교반한 상태로 증발기에 넣고 열 매체유를 이용해 증발기 내 온도를 160~180℃로 가열할 때 증기가 발생한 걸 스크류 바큠 펌프(SCREW VACUUM PUMP)로 진공하는 과정이다.

 

진공펌프를 멈춘 상태에서 증발기 내부에 열 매체유 열에 의해 가압되는 현상이 발생한다. 따라서 증발기가 팽창하면서 바이오 디젤 유증기가 누출됐을 개연성이 있다.

 

전기적 요인을 살펴보면 3층 전기는 3상의 동력을 사용하고 있었다. 보일러를 컨트롤하는 패널에 잔류한 차단기는 트립된 상태로 확인했다. 그러나 발화층 전선에서 단락으로 식별되는 용융점이 발굴되지 않았고 전선에서 단락이 선행됐더라도 화염에 의해 용융된 상태라 전기적 요인은 단정할 수 없다.

 

작업자들이 작업 중이었고 전등이 점등된 것으로 인지하고 있었다. 현장에 설치된 폐쇄회로가 사고 직전부터 후까지 동작하고 있었던 것으로 볼 때 전기적 요인에 의해 발화한 가능성은 작을 것으로 판단했다.

 

사고가 발생한 1호 증발기의 LT 공급 전원 DC 24V 40㎃라고 관계자가 진술하는 점으로 볼 때 증발기 내부에서 발생한 증기 압력에 의해 LT 작동 시 공급되는 전원 때문에 착화했을 가능성도 있다.

 

부주의 측면은 스크류형 건식 진공펌프 운전ㆍ정비 지침서에 따르면 “진공펌프의 분해(해체)는 반드시 자격 있는 직원에 의해서 수행되어야 한다”로 기록돼 있다. 현장에서 작업하던 직원들의 자격 여부는 확인되지 않았다.

 

증발기 온도가 작동하고 있을 당시 160~180℃인 걸 열 매체유 공급 밸브를 잠근다고 해서 바로 냉각되는 게 아니다.

 

배관 내 산소를 차단하기 위해 [그림 2] 위치에서 질소 퍼지를 시행했고 20분 후 부스터 펌프 해체 작업을 시작했다. 부스터 펌프 볼트 3개가 풀린 게 확인되고 증발기 내부가 음압에서 질소 퍼지 후 대기압으로 변경된 상태다.

 

열 매체유 공급 밸브를 잠갔더라도 증발기 내부에 잔류된 열 매체유 온도에 의해 가압 현상이 발생했을 거다. 가열된 증발기 내에 바이오 디젤을 가열할 때 발생하는 화합 물질이 생성돼 이중결합이 있었을 거로 추정된다. 

 

부스터 펌프를 해제하는 과정에서 증발기 내부에 이중결합된 화합 물질이 고온 조건 상태에서 산소와 반응했을 가능성도 있다.

 

넓은 증발기 1호 내부 온도가 20분 안에 상온으로 냉각되긴 어려울 것으로 판단했다. 냉각되지 않은 상태에서 진공펌프의 동작을 멈추고 열 매체유 공급 배관을 잠갔다면 바이오 디젤 성분이 식물성유지, 촉매제, 알코올과 혼합하면서 증발기 내부가 잠열에 의해 가압되는 현상이 발생할 수 있다.

 

질소 퍼지 과정이나 부스터 펌프 해체 작업 또는 미상의 원인에 의해 가압된 증발기 내 바이오 디젤 유증기가 누설됐을 가능성이 있다.

 

배관 내 유입된 산소가 증발기 내 고온 조건에서 생성된 화합물의 반응으로 급격한 연소 현상이 발생했을 가능성도 있다. 바이오 디젤 생산과정의 기기는 폭발해 붕괴되고 일부는 용융돼 기계적 이상점을 논할 수 없다.

 

결론은…

▲ [사진 24] 증발기 1호

 

화재는 ○○산업 바이오 디젤 정제공장에서 발생했다. 관계자 진술과 최초목격자의 진술을 참고하고 잔류한 기계 형상과 수열 흔적, 집중 탄화된 지점, 진공펌프, 증발기, 냉각기 등을 살펴본 후 발화지점을 추정했다.

 

먼저 공정을 살펴보면 바이오 디젤은 식물성유지에 촉매제와 알코올을 넣고 일정한 온도로 끓는 점을 이용해 분리하는 방법으로 생산한다. ○○산업의 화재 사고는 이 과정을 거쳐 생성된 바이오 디젤을 한 번 더 정제하면서 발생했다.

 

공정은 LNG를 이용해 보일러에서 열 매체유의 온도를 올려 배관을 통해 열 매체유를 회전하는 방식이다. 온도를 올릴 때 열 매체유를 사용하면 물을 사용하는 보일러보다 압력을 1/10로 낮출 수 있고 시설비용을 절감할 수 있는 장점이 있다. 

 

약 160~180℃(이하 180℃로 표기)의 온도인 열 매체유를 배관을 따라 증발기 내부로 이동시킨다. 증발기 내 열 매체유 배관보다 높게 바이오 디젤을 채운 상태로 LT를 이용해 바이오 디젤의 양을 확인한다.

 

사고 증발기에 설치된 LT는 작동전압 DC 24V이며 전류는 40㎃로 확인됐다. 열 매체유 배관 온도는 180℃로 바이오 디젤을 데우고 여기서 발생하는 증기를 부스터 펌프, 즉 진공펌프를 이용해 ①, ②, ③ 냉각기 방향으로 이동시킨다. 

 

증기가 냉각기에서 액체 상태로 응집돼 탱크로 모이게 되고 이때 증발기나 냉각기, 배관은 모두 음압, 즉 진공상태로 유지된다. 바이오 디젤은 1차 냉각기에 70, 2차 냉각기에 29, 1차 냉각기에 1% 정도 정제된다.

 

그런데 화재 사고가 발생한 증발기 1호는 부스터 펌프에 이상이 생겨 누유가 발생하는 걸 수리하고자 진공펌프와 부스터 펌프의 가동을 중단하고 열 매체유 공급 배관을 잠근 뒤 질소 퍼지 약 20분 후부터 부스터 펌프를 해체하기 시작했다.

 

‘SHINJUNG VACUUM’ 스크류형 건식 진공펌프 운전 및 정비 지침서를 살펴보면 “서비스와 수리에서 진공펌프의 분해(해체)는 반드시 자격 있는 직원에 의해서 수행되어야 한다”로 규정하고 있다.

 

질소 퍼지는 진공된 배관과 증발기 내부 압력을 대기압으로 변경하기 위한 것일 뿐 냉각이나 내부의 연소 현상을 제어하려는 의도가 있었다고 보기엔 퍼지에서 벤트(Vent) 시간이 너무도 짧았다. 진공상태가 대기압으로 변경되고 내부엔 대기압 상태가 유지돼야 한다.

 

열 매체유 온도가 상승한 상태에서 증발기 내 온도가 올라가고 증기가 발생하며 가압상태로 전환됐을 거다. 열 매체유 공급 배관을 잠갔더라도 넓은 공간의 열 매체유 배관과 배관 위까지 내부를 채운 바이오 디젤의 냉각이 20여 분 만엔 쉽지 않았을 거다. 

 

또 배관이 밀폐된 상태에서 열 매체유 배관의 잠열이 있었을 건 자명하다. 따라서 내부 온도가 상승하고 바이오 디젤 증기가 지속해서 발생하는 상황이 계속됐을 거다.

 

증발기 1호 밸브를 모두 잠근 상태로 배출은 안 되고 내부는 가압이 상승하고 있었을 거로 판단했다. 가압되는 과정에서 LT가 동작해 전압이 인가될 시 가압된 내부에서 압력이 LT 부분으로 분출할 때 DC 24V에 의해 점화됐을 가능성을 배제할 수 없다.

 

다른 한 가지는 증발기 내 온도 상승으로 발생한 증기의 부피가 팽창하며 가압된 상태에서 배관의 균열이나 밸브의 이상에 의해 기밀누설 등의 이유로 배관 내 유입된 산소와 증발기 내 180℃ 고온 조건에서 생성된 화합물과 반응해 급격한 연소 현상이 발생했을 거로 판단했다.

 

이 현장 3층에 올라가 조사하던 중 폭발이 있었고 건물 전체가 흰 수증기 내지 바이오 디젤 유증으로 휩싸였다. 순간 필자 역시 당황해 동료 화재조사관에게 이렇게 소리쳤다. 

 

“야, 조뽕! 기둥으로 붙어 있어, 움직이지마!” 

 

순간 건물이 흔들리는 진동이 살짝 느껴졌는데 그 진동은 아마도 지진 강도 ‘7’ 정도로 느꼈다. 머리칼이 바짝 선다는 이야기가 맞다. 완진한 후 잔화 정리를 마치고 아무런 이상이 없던 현장인데 화재조사 중 폭발이라니….

 

아무튼 화재 원인 추론도 어렵고 현장 작업공정 메커니즘도 어려워 한참을 난해하게 조사했던 기억이 남아 있다.

 

경기 김포소방서_ 이종인 : allway@gg.go.kr

 

<본 내용은 소방 조직의 소통과 발전을 위해 베테랑 소방관 등 분야 전문가들이 함께 2019년 5월 창간한 신개념 소방전문 월간 매거진 ‘119플러스’ 2023년 10월 호에서도 만나볼 수 있습니다.>

화재조사관 이야기 관련기사목록
광고
ISSUE
[ISSUE] “‘의료 뺑뺑이’ 해결책 찾았다”… 전국 유일 제로화 달성한 인천소방
1/4
광고
광고
광고
광고
광고
광고
광고
광고
광고
광고
광고
광고